日本林时计目视检查用台灯SPA2-10SDZ / SPA2-10SWZ
日本HAYASHI林时计照明灯SPA2-10
在精密制造和质量控制领域,照明灯的选择至关重要。日本HAYASHI林时计作为光学测量和照明设备的领先制造商,其SPA2-10系列照明灯凭借卓越的性能和广泛的应用领域,成为了众多企业和研发机构的优选。本文将详细介绍SPA2-10SD、SPA2-10SW、SPA2-10CD和SPA2-10CW这四款照明灯的特点和优势。

日本HAYASHI林时计SPA2-10系列照明灯专为各种制造检查过程中的视觉检查而设计。该系列照明灯采用先进的LED技术,提供稳定且高亮度的照明,适用于镜片、玻璃制品、片材/薄膜以及金属表面的沉积状态检查。同时,该系列照明灯还可用于确认IC晶片、安装板、汽车零件等产品的涂层均匀性和颜色均匀性,是机床辅助照明和定制设备光源的理想选择。
产品特点
高精度照明:SPA2-10系列照明灯采用业界领先的4芯片LED技术,结合独特的恒定电流调光方法,可实现佳照明效果。无论是白色光(CW, SW)还是灯泡颜色(CD, SD),都能提供稳定且均匀的照明,满足各种检查需求。
灵活的安装方式:该系列照明灯提供多种安装方式,包括夹钳式(CW, CD)和支架式(SW, SD),可根据具体应用场景灵活选择。同时,部分型号还配备了变焦镜头,可根据检查对象的大小和距离进行调整,实现更的照明。
长寿命LED:SPA2-10系列照明灯采用高品质的LED光源,寿命长达20,000小时,大大降低了更换光源的频率和维护成本。同时,LED光源还具有节能、环保的优点,符合现代工业的绿色制造理念。
无风扇自然散热:该系列照明灯采用无风扇自然散热设计,有效避免了灰尘和杂质的飞散,确保了长期稳定运行。同时,无风扇设计也降低了噪音污染,为检查人员提供了更加舒适的工作环境。
产品型号及规格
SPA2-10SD:灯泡颜色类型,适用于需要清晰显示划痕和缺陷的检查场景。
SPA2-10SW:白色光类型,适用于需要高亮度照明的检查场景。
SPA2-10CD:灯泡颜色类型,配备标准镜头,适用于各种常规检查。
SPA2-10CW:白色光类型,配备标准镜头,适用于需要照明的精密检查。
应用领域
日本HAYASHI林时计SPA2-10系列照明灯广泛应用于各种制造行业,如电子、光学、汽车零部件、航空航天等。在电子产品制造中,该系列照明灯可用于检查电路板、芯片、连接器等部件的缺陷和瑕疵;在光学产品制造中,可用于检查镜片、滤光片等光学元件的质量;在汽车零部件制造中,可用于检查发动机、变速器等关键部件的装配质量和表面缺陷。
日本HAYASHI林时计SPA2-10系列照明灯凭借其高精度照明、灵活的安装方式、长寿命LED和无风扇自然散热等优点,成为了各种制造检查过程中的理想选择。无论是在电子产品、光学产品还是汽车零部件制造中,该系列照明灯都能提供稳定且高质量的照明效果,助力企业提升产品质量和生产效率。

SPA2-10SDZ / SPA2-10SWZ特长
采用4芯片LED
公司自有的恒流调光方式可防止闪烁
灵活的臂结构,实现好的照明
配备变焦镜头
>SPA2-10SDZ / SPA2-10SWZ用途
各制造检查工程中产品目视检查用照明
镜片、玻璃制品、片材、薄膜及金属表面的镀层状态
确认IC晶圆,实装基板,汽车部品,涂装不均匀,颜色不均匀等
机床辅助照明,订制设备用光源
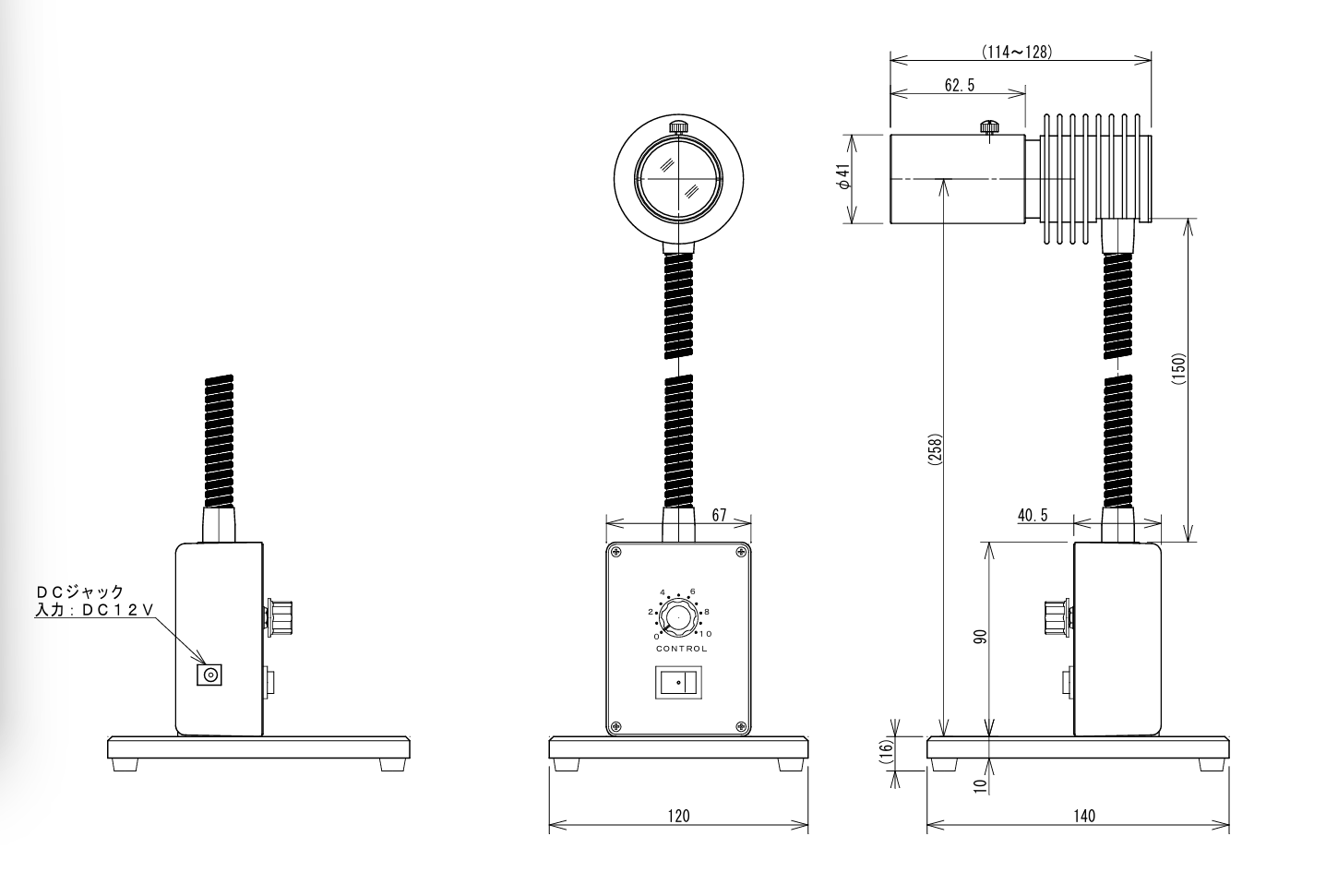
SPA2-10SDZ / SPA2-10SWZ外观图




上图为长变焦款:SPA2-10SWP / SPA2-10SDP
上图为:MSPA台式检查灯
SPA2-10SDZ / SPA2-10SWZ规格
| 型号 | SPA2-10SDZ / SPA2-10SWZ |
| 照明颜色 | 白色(SPA2-10SWZ) 电球色(暖白色)SPA2-10SDZ) |
| 设置方式 | 台式 |
| 镜头规格 | 变焦镜头 |
| 镜头型号 | TKG-3079-2650 |
| 中心照度 ※1 | 120,000lx~65,000lx |
| 照射范围 ※2 | φ80~φ115mm (@WD=200mm) |
| LED寿命 ※3 | 约20,000小时 |
| 滤光片 ※4 | φ39 |
| 额定输入电压 | DC12V |
| 消费功率 | 12W |
| 光量调节 | 前面旋钮连续调节灯光 |
| 冷却方式 | 无风扇自然散热 |
| 使用温度范围 | 0-40℃ |
| 使用湿度范围 | 20%-80%RH (不会结露) |
| 重量 | 约1Kg(不含AC变压器) |
| 附属AC变压器电源电压 | AC100-240V 50/60Hz |
| 附属AC变压器输出电压 | DC15V 1A |
※1中心照度为距离WD=200mm情况下测量出,只作参考.
※2照射为距离WD=200mm情况下测量出,只作参考.
※3LED寿命会受使用环境影响,不保证达到规格值。
※4滤光片:φ39的滤光片需要定制。




添加微信咨询!